开云电竞官方网站政府门户网站
繁体
政务微博
政务微信
网站支持IPv6
开云电竞官方网站发展和改革局
网站首页
开云体育官网登入入口
部门概况
统计分析
招录信息
财政预决算
党建工作
ebpay开云
政务服务
专题栏目
csgo开云电竞
规划计划
重点领域信息公开
招标投标政策文件
公告公示
当前位置:
首页
>
部门频道
>
开云电竞官方网站发展和改革局
>
公告公示
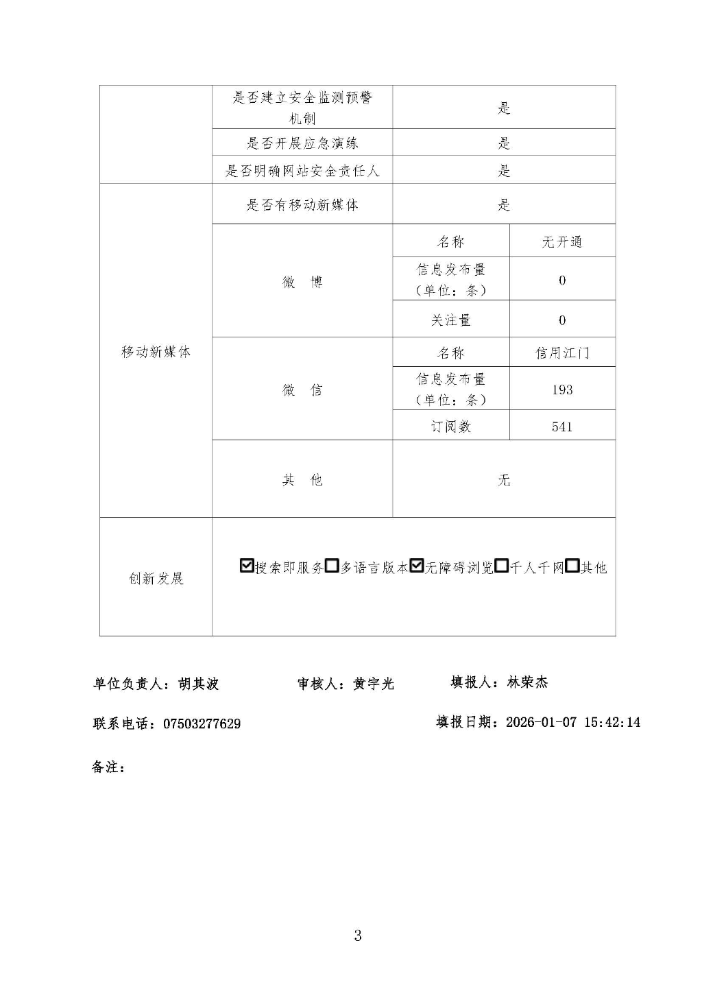
信用江门网网站工作年度报表(2025年)
发布时间:2026-01-14 15:06:31
来源:开云电竞官方网站发展和改革局
字体【
大
中
小
】
分享到:
附件下载:
扫一扫在手机打开当前页
【TOP】
【
打印页面
】【
关闭页面
】
map